La Unidad de Inteligencia Financiera dio a conocer el costo del malware Pegasus que fue de 5,914 millones de pesos. El software se utilizó durante el sexenio de Enrique Peña Nieto para el espionaje de periodistas, políticos y defensores de derechos humanos
Alejandro Wong & Sebastián Estrada
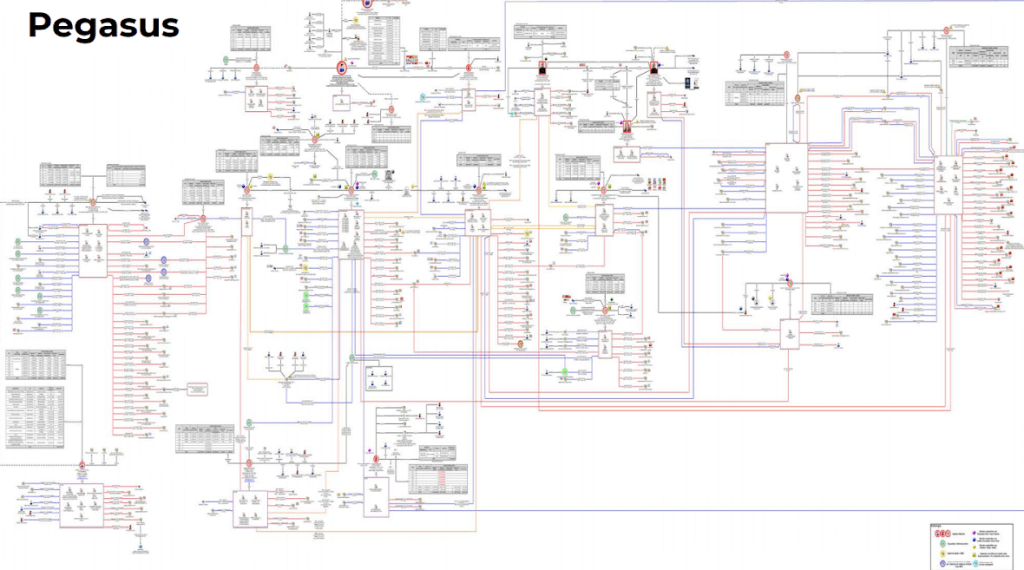
La Agencia de Investigación Criminal y el organismo de la Procuraduría General de la República adquirieron Pegasus en el 2014 por 32 millones de dólares al Grupo Tech Bull. Tomas “Z”., director de dicha agencia durante el sexenio del expresidente Enrique Peña Nieto, estuvo al frente de la compra del malware, reveló Santiago Nieto, titular de la Unidad de Inteligencia Financiera (UIF).
La dependencia de Tomas «Z», quien ahora se encuentra prófugo señalado por los delitos de tortura y desaparición forzada en el caso Ayotzinapa, pagó 27 millones 600,000 dólares, más 4 millones 416,000 de Impuesto al Valor Agregado, lo que dio el total de 32 millones de dólares para adquirir el “bien” pactado entre los particulares.
“Entre las empresas beneficiadas se encuentra el Grupo Balam, que tuvo depósitos en millones de pesos, más de 910 millones; Grupo Tech Bull, con 527 millones de pesos. Hay que recordar que se encuentran también concentrados aquí la adquisición del malware Pegasus y hay una serie de empresas relacionadas con quien se transacciona de manera financiera”, refirió Santiago Nietohttps://pagead2.googlesyndication.com/pagead/js/adsbygoogle.js (adsbygoogle = window.adsbygoogle || []).push({});
El titular de la UIF aclaró que Grupo Tech Bull tenía poco tiempo de haberse constituido como empresa, además recibió fuertes montos de dinero provenientes de cuentas concentradoras del gobierno federal, por lo que se sospecha que sea una fachada constituida por Balam Seguridad Privada SA de CV. Destaca el hecho de que Tech Bull se declaró en ceros durante el ejercicio del 2019, año en el que tomó posesión el actual gobierno.
También te puede interesar: Periodistas mexicanos, en las listas de espionaje de Pegasus
Según la UIF se detectaron incongruencias ya que los montos que recibieron de las cuentas concentradoras del gobierno federal son muy superiores a los costos de los productos que adquirieron de los proveedores italianos e israelíes. Los montos que enviaron a éstas son mucho menores que los recibidos, lo cual hace concluir que Grupo Tech Bull fue utilizada como intermediaria para adquirir tecnologías y venderlas a sobreprecio al gobierno federal.
“Se trata de montos incoherentes por sobreprecio por lo que se presume actos de corrupción”, dijo Santiago Nieto.
Desde el 2012, distintas dependencias del gobierno federal contratan servicios con empresas fachadas relacionadas a la compra de Pegasus. Las siguientes son algunas de las de las que se identificaron relacionadas con estas operaciones: KBH Track SA de CV, Proyectos y Diseños VME, Grupo Comercial Vicra, Coordinadora de Imagen y Servicios Estratégicos, Artículos Textiles Equipo y Accesorios MV, Constructora del Centro y del Bajío y Comercializadora de Soluciones Integrales Mecale.
¿Qué se aseguró?
Tanto Tech Bull como Balam Seguridad Privada realizaron compras de tecnología a Aeronautics LTD, Aerosentinel LTD y VisionMap, empresas proveedoras de tecnología de geolocalización, enviando recursos a Israel e Italia, países donde se encuentran Zerón de Lucio y Peña Nieto, respectivamente.
Destacan en la lista Proyectos y Diseños VME, actualmente investigada por el delito de intervención de comunicaciones sin autorización judicial, Grupo Comercial Vicra, bajo sospecha de lavado de dinero por 1 millón 850,000 dólares, y KBH Track SA de CV, empresa proveedora de acceso a Internet y servicios de búsqueda en la red, la cual, según el mapa de transacciones presentado por Santiago Nieto, es a quien se dirigen varias transacciones; las tres empresas realizan pagos a NSO Group, la empresa israelita dueña de Pegasus.
También te puede interesar: Ciberataques contra México, en ascenso
¿Qué señalo el Presidente de la republica?
El presidente Andrés Manuel Lopez Obrador dijo que esta información y los contratos se enviarán a la Fiscalía General de la República.

Casos actuales
¿Por qué la importancia de NeoLinx?
La empresa fungió como intermediaria de la empresa Hacking Team, señalada durante el sexenio de Enrique Peña Nieto por ser una de las principales proveedoras de ciberespionaje.
Aunque el gobierno sostiene que no se utilizan más herramientas de espionaje para perseguir a personas y que se ha cortado toda relación con las empresas relacionadas a NSO Group, la Fiscalía General de la República entre los años 2019 y 2020 compró programas de inteligencia para la geolocalización de celulares y análisis de datos masivos a través de la contratación de servicios por 5.6 millones de pesos a la empresa NeoLinx, según una investigación realizada por El País.
“Es importante señalar que se hizo una revisión y no se localizaron transacciones de dichas empresas en la presente administración del presidente”, destaca un comunicado de la Secretaría de Hacienda.
El contrato FGR/SEIDO/DGCTC/GSPN/001/2019 al que tuvo acceso El País corresponde al equipo de vigilancia Geomatrix, un sistema de geolocalización de equipos de telefonía móvil, puede brindar acceso a 25 operadores simultáneos para teléfonos en redes 2G, 3G y 4G y solicitar la localización geográfica en tiempo real.
Las compras se hicieron bajo la partida secreta en materia de gastos de seguridad nacional, por lo que los contratos no fueron transparentados por la Fiscalía, aunque estas compras no suponen ninguna ilegalidad puesto que se realizan bajo el argumento de la seguridad nacional. La Red en de Defensa de los Derechos Digitales (R3D) apunta que también pueden ser utilizados de forma arbitraria, violando el derecho a la privacidad y la presunción de inocencia. R3D ha dado seguimiento a este tipo de contrataciones.
También te puede interesar: Comunidad internacional acusa al gobierno de China por ciberataque de Microsoft Exchange
https://pagead2.googlesyndication.com/pagead/js/adsbygoogle.js (adsbygoogle = window.adsbygoogle || []).push({});Respuesta de NSO
Debido a la polémica que han levantado las recientes revelaciones de Pegasus, la empresa NSO se ha pronunciado al respecto en un comunicado, en el cual tacha de erróneo y poco fiable el informe de Forbidden Stories con “información que no tiene base fáctica y está lejos de la realidad”. Asumen que han verificado las afirmaciones de la que se les acusa y las niegan rotundamente pues las fuentes que se consultaron no tienen base fáctica.
“De hecho, estas acusaciones son tan indignantes y están lejos de la realidad, que nos está llevando a considerar una demanda por difamación”, afirma NSO.
La empresa destaca que sus servicios son comúnmente utilizados por agencias gubernamentales para numerosos propósitos, en favor de salvaguardar la vida y para terminar con delitos como las redes de pedofilia, de tráfico de drogas, secuestros o para localizar a supervivientes de desastres. Y que sus tecnologías son vendidas exclusivamente a agencias policiales y de inteligencia de gobiernos examinados con el único propósito de salvar vidas mediante la prevención del crimen y los actos terroristas.
https://pagead2.googlesyndication.com/pagead/js/adsbygoogle.js (adsbygoogle = window.adsbygoogle || []).push({});